介绍:
耐震压力表主要用于冶金、电力、石油、化工、轻工、机械等工业部门的压力检测。压力表依靠内部冲灌阻尼油和配套缓冲装置等措施。具有******的耐震性能。耐震压力表适用于被测介质的压力有强烈脉冲变化或压力冲击和在生产工艺中经常突然卸荷的场合,以及环境震动较大的场所。仪表能测气体、液体脉动压力的平均值,以克服介质强烈脉冲及环境震动对仪表带来的损害,确保读数的准确性。
不锈钢耐震压力表的外壳用不锈钢材料制成(简称半钢),可在有腐蚀性、振动较大的恶劣环境中使用。
主要技术指标:
耐震压力表型号、结构形式、标度范围、准确度等级
不锈钢耐震压力表的外壳用不锈钢材料制成(简称半钢),可在有腐蚀性、振动较大的恶劣环境中使用。
主要技术指标:
耐震压力表型号、结构形式、标度范围、准确度等级
型号 | 结构形式 | 标度范围(MPa) | 准确度等级 |
YTN-60 | 径向 | 0~0.1;0~0.16;0~0.25;0~0.4; 0~0.6;0~1;0~1.6; 0~2.5; 0~4;0~6;0~10;0~16; 0~25;0~40; | 2.5 |
YTN-60ZT | 轴向带边 | ||
YTN-60B | 径向 | ||
YTN-63B | 轴向带边 | ||
YTN-100 | 径向 | 0~0.1;0~0.16;0~0.25;0~0.4; 0~0.6;0~1;0~1.6; 0~2.5; 0~4;0~6;0~10;0~16; 0~25;0~40;0~60; | 1.6 |
YTN-100ZT | 轴向带边 | ||
YTN-100B | 径向 | ||
YTN-103B | 轴向带边 | ||
YTN-150 | 径向 | 0~0.1;0~0.16;0~0.25;0~0.4; 0~0.6;0~1;0~1.6; 0~2.5; 0~4;0~6;0~10;0~16; 0~25;0~40;0~100 | |
YTN-150ZT | 轴向带边 | ||
YTN-150B | 径向 | ||
YTN-153B | 轴向带边 |
耐震压力表使用环境温度:5~55℃(表壳内充甘油)
-25~55℃(表壳内充甘油)
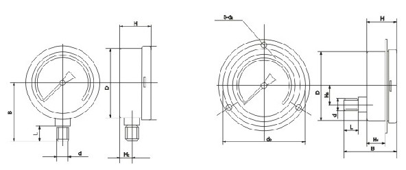
耐震压力表外形尺寸:
型号 | D | H | H2 | B | d2 | d0 | d | L | H1 |
YTN-60 | Φ60 | 32 | 13 | 55 | a | a | M14x1.5 | 14 | a |
YTN-60ZT | 0 | 65 | 4.5 | 76 | 22 | ||||
YTN-60B | 13 | 55 | a | a | a | ||||
YTN-63B | 0 | 65 | 4.5 | 76 | 22 | ||||
YTN-100 | Φ100 | 44 | 18 | 90 | a | a | M20x1.5 | 20 | a |
YTN-100ZT | 30 | 90 | 5.5 | 118 | 27 | ||||
YTN-100B | 18 | 90 | a | a | a | ||||
YTN-103B | 30 | 90 | 5.5 | 118 | 27 | ||||
YTN-150 | Φ150 | 44 | 18 | 120 | a | a | M20x1.5 | 20 | a |
YTN-150ZT | 55 | 95 | 5.5 | 165 | 27 | ||||
YTN-150B | 18 | 120 | a | a | a | ||||
YTN-153B | 55 | 95 | 5.5 | 165 | 27 |
上一篇:电接点压力表
下一篇:无


